The LM2596 is essentially a voltage regulator designed as a buck converter. It can handle input voltages up to 40V, efficiently stepping them down to produce a lower, stable output voltage (Vout) that can be as low as 3V or as high as 35V. Thanks to its FET technology, the converter can achieve excellent regulation performance.
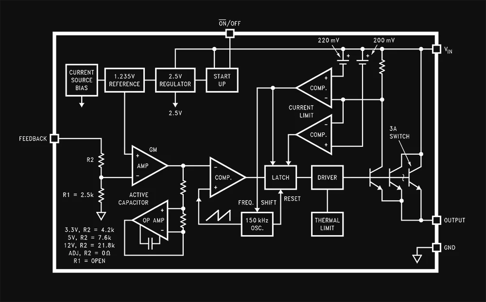
The LM2596 is an integrated circuit (IC) designed to function as a voltage regulator in a buck converter topology. While you won't be able to see the internal components just by looking at the chip, its datasheet will reveal a variety of built-in features that facilitate voltage conversion and regulation. Here's a general breakdown of what's inside:

The LM2596 typically incorporates an internal power N-channel Field-Effect Transistor (FET) that acts as the switching element. This FET allows the LM2596 to switch current paths, thereby stepping down the voltage.
The internal control logic manages the timing and switching operations. It usually operates at a fixed frequency and is responsible for the opening and closing of the internal FET.
The LM2596 includes a feedback loop that measures the output voltage (Vout) and compares it to a reference voltage. Any deviation results in an error signal, which is amplified and used to adjust the duty cycle of the switching FET to keep the output voltage stable.
An internal voltage reference sets the standard against which the output voltage is compared. This is essential for the regulation process.
Some versions of the LM2596 include built-in features for thermal shutdown and current limiting to protect the IC and connected components from damage.
Although the LM2596 itself is an integrated package, its effectiveness in a buck converter circuit relies on external components like inductors, capacitors, and sometimes diodes and resistors. The IC has pins to connect these components.
The LM2596 can handle a wide range of input voltages. Whether it's a 50V input from a power converter or as low as 5V, the LM2596 ensures a reliable output.
Vin is the input voltage fed into the circuit, while Vout is the output voltage regulated by the LM2596. This makes it extremely versatile, catering to both high and low voltage requirements.
Power supply units often incorporate this DC-DC converter for its synchronous regulation capabilities. The LM2596 is capable of driving up to 5A in specific conditions, which is quite sufficient for many types of electrical loads.
Different voltage ratings like 25V, 30V, and 35V for electrolytic capacitors are often employed based on the desired output and input voltage ranges.
Voltage ripple is an essential factor to consider, and the LM2596 excels in maintaining a low ripple, thereby ensuring a stable output.

Different inductor types or core materials produce different amounts of this characteristic ringing or ripple. Ferrite coreinductors have very little core loss and therefore produce the most ringing. The higher core loss of powdered ironinductors produce less ringing. If desired, a series RC can be placed in parallel with the inductor to dampen theringing.
The LM2596 operates at a fixed frequency, aiding in easier filter design. The chip incorporates internal switching transistors, further simplifying the circuit topology.
Datasheets and Webench tools are useful resources for understanding the LM2596 circuit's pinout and diagram. Datasheets provide detailed specifications, while Webench helps in simulation and layout design for your PCB.
MOSFETs can be used in more advanced configurations to handle even higher power applications.
The synchronous buck converter version of LM2596 employs two FETs for enhanced efficiency, compared to standard buck converter topology.

The LM2596 is a versatile and robust DC-DC converter, central to many power supply systems and voltage regulator applications. Its excellent performance, including a broad voltage range of up to 50V and low ripple, make it a preferred choice. Whether you're focusing on inductor specifications, capacitor types, diode characteristics, or FET functionalities, this IC has proven itself as an efficient voltage regulator in both asynchronous and synchronous settings.
Before diving into your project, make sure to refer to datasheets for the most accurate information. Diagrams are your best friend when laying out your PCB. Remember, you can use the LM2596 in adjustable setups by modifying the resistor values to achieve custom voltage outputs.
LM2596 offers a reliable and efficient solution for all your voltage regulation needs, serving as the cornerstone in many buck converter and power converter applications.

A practical guide to when hardware teams should use low-volume PCB prototyping to validate a design versus full-scale fabrication to scale production, and how to transition between the two without costly mistakes.

A practical guide to the four main PCB via types — through-hole, blind, buried, and microvia — covering how each is fabricated, their cost and signal-integrity trade-offs, and when to use them based on layer count, BGA pitch, and routing density.

Learn PCB design for manufacturability (DFM) guidelines, rules, and common issues to ensure your circuit boards can be reliably produced.

Learn the best PCB routing techniques for clean circuit board layouts, including trace routing tips, differential pair routing, and layout best practices.

Whether you're migrating from popular EDA applications or starting fresh, mastering high speed PCB design has never been more intuitive. Flux enables teams to design, simulate, and route with real-time AI assistance, so you can spin your next high-speed board with total confidence.

DRC is an automated process that checks your PCB layout against manufacturing and electrical constraints, catching errors like trace spacing and drill sizes before fabrication. Modern tools run this in real-time during design, while older ones batch-check at the end, often producing overwhelming error lists.

Whether you are exploring “What is a PCB?” for the first time or moving into advanced hardware engineering, modern tools make the process easier than ever. With Flux's AI-assisted platform, you can skip the steep learning curve of popular ECAD applications and design collaboratively directly in your browser. Once your board is routed and ready for fabrication, Flux's built-in supply chain features connect you directly with worldwide distributors to source parts instantly. Sign up for free today and start building!

Flux brings circuit simulation to wherever you are in the design process. Start from a prompt when you have no schematic, or let Flux analyze your existing design automatically.